产品展示
/ Products Classification 点击展开+详细介绍
                LZ1001手动火灾报警按钮立柱产品介绍
LZ1001手动火灾报警按钮立柱碳钢材质,与LZ10011手动报警按钮防雨罩配套使用,适用于在室外安装J-SAM-GST9116手动报警按钮,不含防雨罩。
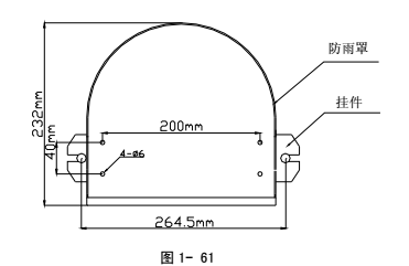
LZ10011型防雨罩壁挂安装时需配用挂件进行安装,壁挂安装示意图如图1-61所示。
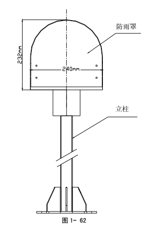
LZ10011型防雨罩与LZ1001型立柱配套安装示意图如图1-62所示。
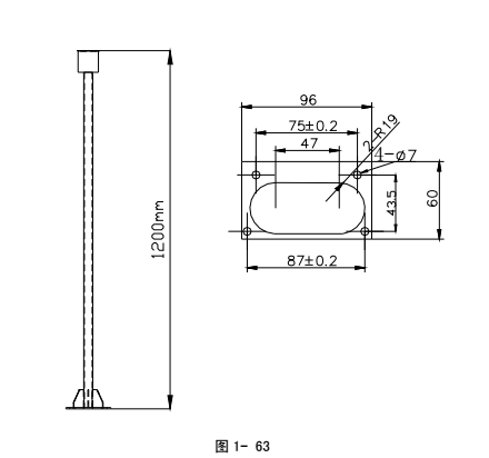
LZ1001型立柱外形示意图如图1-63所示。
 本文标签:
        
        地区产品 / city
相关新闻 / news
- 公共建筑内厨房的排油烟管道设置的防火阀动作温度应为150℃[ 2025-09-28 ]
- 稳压泵与稳压罐气压匹配的技术探讨[ 2025-09-22 ]
- 细水雾喷头布置间距标准[ 2025-09-22 ]
- 避难间内应设置消防软管卷盘、灭火器、消防专线电话和应急广播[ 2025-09-16 ]
- 未设置火灾自动报警系统的建筑内,设有防火卷帘、电动挡烟垂壁等需要联动的消防设备,如何处理?[ 2025-09-16 ]
- 民用建筑电动汽车充电设施建设消防设计标准[ 2025-09-11 ]
- 2025年第三届海湾GST石化危化品消防安全发展论坛[ 2025-09-09 ]
- 消防工程安装:全方位防范火灾风险[ 2025-09-09 ]
 联系我们 
          - 电话:4006-598-119
- 邮箱:1334605518@qq.com
- 地址:苏州市常熟市黄河路275号
- 版权所有:智淼君安(江苏)消防工程技术有限公司
- 海湾消防 www.huifuxing.com 网站地图 (XML/TXT)
- ICP备案证书号:苏ICP备19022074号-10
 苏公网安备32058102002167号 苏公网安备32058102002167号
 扫一扫,关注我们
            
 
        
        
        
       
 
 服务热线:
服务热线:  
 



 <
< <
< <
< <
<
