服务热线:
4006-598-119
您的位置: 首页>>产品展示>>其它配件

海湾LZ10011手动火灾报警按钮防雨罩

简要描述:

  • 更新时间:2024-08-05 14:43:19
  • 访  问  量:12460
详细介绍

一、LZ10011手动火灾报警按钮防雨罩产品概述

  其它附件系列LZ10011手动火灾报警按钮防雨罩碳钢材质。可壁挂安装,也可与LZ1001立柱配套安装,适用于在室外安装J-SAM-GST9116手动火灾报警按钮

  表面防腐及颜色:要求各部件外露表面除锈后喷塑处理。

  立柱钢管规格:φ48.3*3.6820#;

  防雨罩材质及规格:厚2mm,Q235b

  底座孔径尺寸:孔间距130mm,地脚螺栓规格M20。

  LZ10011型防雨罩可采用壁挂式安装,也可与LZ1001型立柱配套安装。

二、LZ10011手动火灾报警按钮防雨罩安装示意图

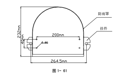
  LZ10011型防雨罩壁挂安装时需配用挂件进行安装,壁挂安装示意图如图1-61所示。

LZ10011型防雨罩壁挂安装

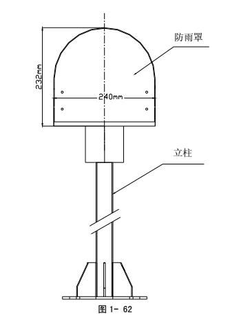
  LZ10011型防雨罩与LZ1001型立柱配套安装示意图如图1-62所示。

LZ10011型防雨罩与LZ1001型立柱配套安装示意图

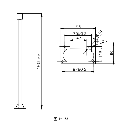
  LZ1001型立柱外形示意图如图1-63所示。

LZ1001型立柱外形示意图

  布线要求:

  本报警按钮应用于ⅡB环境中,电缆引入装置为橡胶密封圈型式。将截面积≥1mm2、外径为φ8mm-φ10mm的屏蔽阻燃双绞电缆穿过金属垫圈和橡胶密封圈,将橡胶密封圈、金属垫圈连同电缆一同旋进报警按钮壳体,用扳手将密封圈压紧对丝旋紧。

  本报警按钮也可应用于ⅡC环境中,但需使用隔爆型电缆密封套(填料函)作为引入装置,安装时,必须用填料函将电缆密封套填充,填充材料及填充方式符合防爆相关规定。



留言框

  • 产品:

  • 留言内容:

  • 您的单位:

  • 您的姓名:

  • 联系电话:

  • 常用邮箱:

  • 详细地址:

本文标签:
在线咨询 联系方式 二维码

服务热线

4006-598-119

扫一扫,关注我们

Baidu
map